logo
چین کلاچ اضافه راه یک طرفه سازنده

Openresty Server 403 Error Code Sprag Clutch with Performance

جزئیات محصول:
Place of Origin: Shaanxi, China
نام تجاری: CHAOYUE
Model Number: CKZF-B
پرداخت:
Minimum Order Quantity: 1 pc
قیمت: USD 165.00 - 1300.00 / pc
Packaging Details: Carton box or wooden case depends on the size of products
Delivery Time: 1 - 3 weeks
Payment Terms: T/T,
Supply Ability: 500 pcs per month

اطلاعات تکمیلی

Status Code: 403 Description: The server understood the request, but is refusing to fulfill it.
Product Name: 403 Forbidden Server: openresty

توضیحات محصول

Product Description:

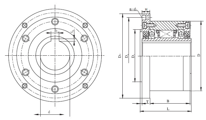
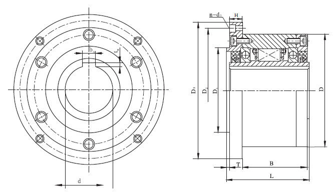
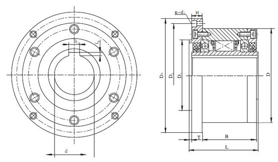
The Sprag Overrunning Clutch, also known as the Overrunning Torque Clutch or Overrunning Gearbox Clutch, is a critical component in various mechanical systems. This specialized clutch mechanism allows for the transmission of torque in one direction while freewheeling in the opposite direction, providing essential functionality in a wide range of industrial applications.

Designed to handle high torque loads and ensure smooth operation, the Sprag Overrunning Clutch is built to deliver reliable performance in demanding environments. Its robust construction and precision engineering make it a preferred choice for equipment where efficient power transmission is essential.

With a focus on durability and efficiency, the Sprag Overrunning Clutch is engineered to withstand heavy-duty applications and provide consistent performance over its operational lifespan. Whether used in agricultural machinery, industrial equipment, or automotive systems, this clutch offers reliable torque transmission and overrunning capabilities.

Key features of the Sprag Overrunning Clutch include:

  • High Torque Capacity: The clutch is capable of handling substantial torque loads, making it suitable for demanding industrial settings.
  • Bi-Directional Operation: It allows for torque transmission in one direction while freewheeling in the opposite direction, providing flexibility in system design.
  • Precision Engineering: The clutch is designed with precision components to ensure smooth and efficient operation under varying load conditions.
  • Durable Construction: Built to withstand harsh environments and heavy usage, the Sprag Overrunning Clutch is a reliable choice for long-term performance.

Whether used in conveyor systems, mining equipment, or power generation machinery, the Sprag Overrunning Clutch plays a crucial role in enabling efficient power transmission and control. Its ability to handle high torque loads and provide reliable overrunning capabilities makes it a valuable component in numerous industrial applications.

Overall, the Sprag Overrunning Clutch is a versatile and dependable solution for systems requiring precise torque transmission and overrunning functionality. Its robust design, high torque capacity, and bi-directional operation make it an essential component in various mechanical setups where reliable performance is paramount.


Features:

  • Product Name: 403 Forbidden
  • Server: openresty
  • Description: The server understood the request, but is refusing to fulfill it.
  • Status Code: 403

Technical Parameters:

Status Code 403
Server openresty
Product Name 403 Forbidden
Description The server understood the request, but is refusing to fulfill it. Keywords: Sprag Clutch, Sprag Overrunning Device, Overrunning Mechanism Clutch

Applications:

The CHAOYUE CKZF-B Sprag Overrunning Clutch is a versatile product suitable for a wide range of application occasions and scenarios. With its high-quality construction and reliable performance, this overrunning torque clutch is a popular choice among various industries.

1. Industrial Machinery: The Sprag Overrunning Clutch is commonly used in industrial machinery such as conveyor systems, textile machines, and printing presses. Its overrunning mechanism allows for smooth operations and prevents back driving, ensuring efficient production processes.

2. Automotive Sector: In the automotive sector, the CKZF-B clutch is utilized in applications such as starter motors and engine drives. Its ability to transmit torque in one direction while freewheeling in the opposite direction makes it ideal for automotive systems requiring precise control and safety.

3. Agricultural Equipment: Farmers and agricultural workers benefit from the overrunning torque clutch in equipment like hay balers, combines, and tractors. The clutch's durability and high torque capacity enable seamless operation in demanding agricultural conditions.

4. Construction Machinery: The Sprag Overrunning Clutch plays a crucial role in construction machinery such as concrete mixers, cranes, and excavators. Its reliable performance under heavy loads and harsh environments ensures the smooth functioning of construction equipment.

5. Power Generation: In power generation applications, the CKZF-B clutch is used in generators, turbines, and pumps. Its overrunning torque capability allows for efficient power transmission and prevents damage to the machinery during sudden load changes.

With a minimum order quantity of 1 pc and a price range of USD 165.00 - 1300.00 per piece, the CHAOYUE Sprag Overrunning Clutch offers flexibility and cost-effectiveness to customers. Payment terms via T/T, a supply ability of 500 pcs per month, and a delivery time of 1 - 3 weeks ensure a smooth purchasing experience. The product is shipped in carton boxes or wooden cases depending on the size of the products, guaranteeing safe delivery to the customer's location.


Support and Services:

The Product Technical Support and Services for the Sprag Overrunning Clutch product include:

- Installation guidance and support

- Troubleshooting assistance

- Maintenance recommendations

- Product documentation and manuals

- Training programs for users and technicians

- Warranty coverage and claims processing

- Product upgrades and customization options


Packing and Shipping:

Product Packaging and Shipping:

The Sprag Overrunning Clutch is carefully packaged in a sturdy box to ensure safe delivery. Each clutch is wrapped in protective material to prevent any damage during transit.

For shipping, we use trusted carriers to deliver your order promptly and securely. You will receive a tracking number to monitor the status of your package.


FAQ:

Q: What is the brand name of the Sprag Overrunning Clutch?

A: The brand name is CHAOYUE.

Q: What is the model number of the Sprag Overrunning Clutch?

A: The model number is CKZF-B.

Q: Where is the Sprag Overrunning Clutch manufactured?

A: The product is manufactured in Shaanxi, China.

Q: What is the minimum order quantity for the Sprag Overrunning Clutch?

A: The minimum order quantity is 1 pc.

Q: What are the accepted payment terms for purchasing the Sprag Overrunning Clutch?

A: The accepted payment terms are T/T.


Openresty Server 403 Error Code Sprag Clutch with Performance 0

Openresty Server 403 Error Code Sprag Clutch with Performance 1

با ما در تماس باشید

وارد کنید پیام شما

شما ممکن است در این مورد باشید